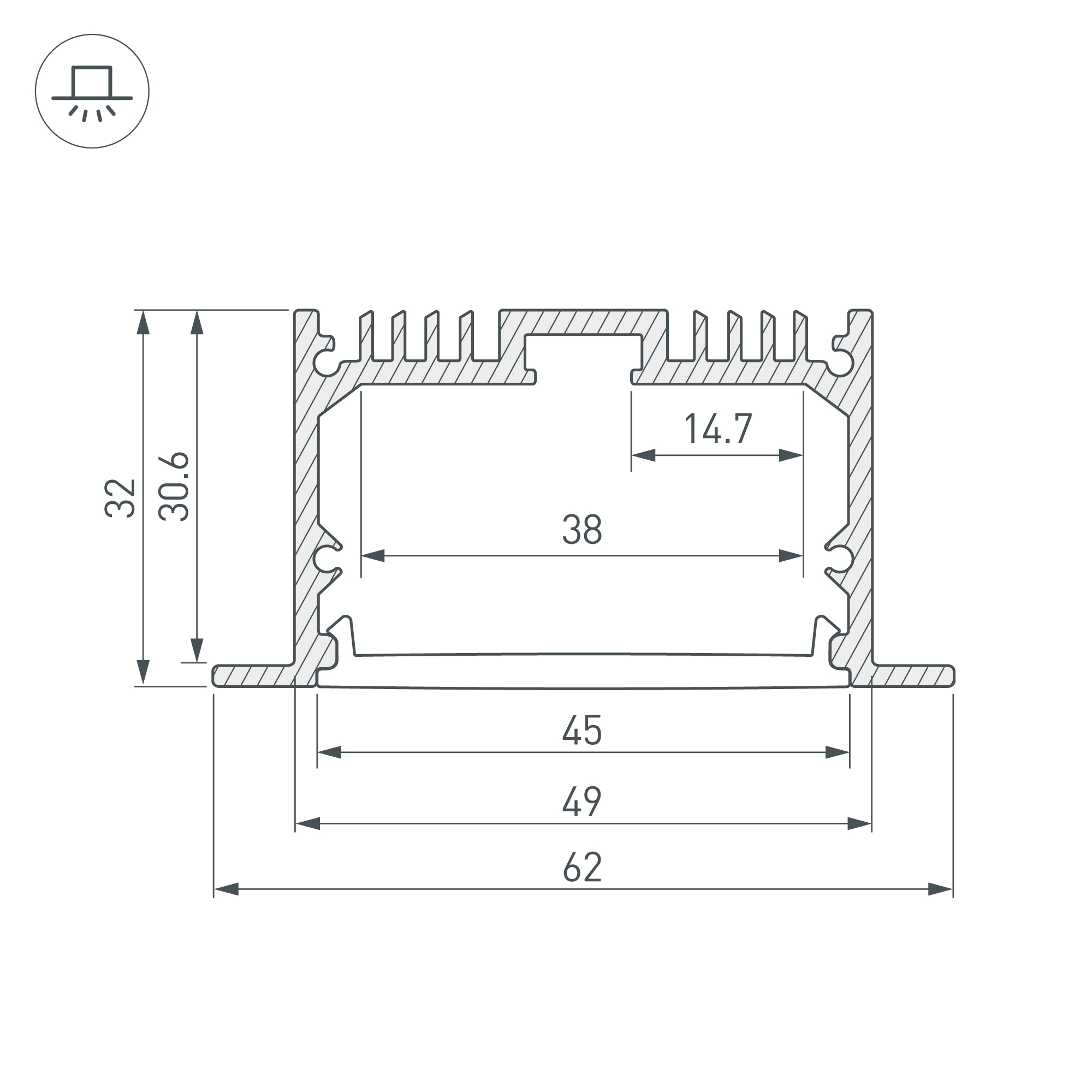
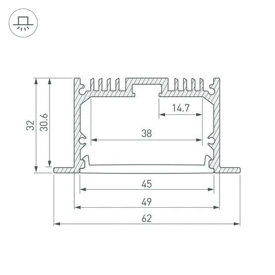
Встраиваемый профиль с накладным фланцем из анодированного алюминия для основной и контурной подсветки помещений. Габаритные размеры профиля составляют 2000 мм в длину, 62 мм в ширину и 32 мм в высоту, паз для установки 49 мм. Площадка для установки светодиодных лент позволяет использовать ленту шириной до 38 мм и мощностью до 46,4 Вт/м. Это обеспечивает гибкость в выборе светодиодных лент и создает потрясающие световые решения.
Экраны, заглушки и другие аксессуары не включены в комплект и приобретаются отдельно. Цена указана за 1 метр профиля.
Отличное решение для создания современных световых проектов.